Wiring Diagram Motor Suzuki

View Wiring Diagram Motor Suzuki Pictures. Swift engine and ac control wiring diagram. Lighting wiring diagram suzuki gn400 electrical wiring diagram.gif.

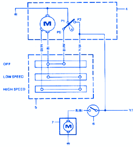
Suzuki Lt125 1983 (d) Electrical - schematic partsfiche
Suzuki Lt125 1983 (d) Electrical - schematic partsfiche from images.cmsnl.com
Swift engine ignition and cooling system scheme. In 1954 the company was renamed to suzuki motor co., ltd., at this time it produced about 6000 motorcycles and mopeds in the month. You have no fuel pressure cranking?

Suzuki grand vitara, swift wiring diagrams.

And in 1949 the company was renamed to isuzu motors limited. The materials and components used are of the highest quality, so all modifications are characterized by increased reliability and correspond to the stated characteristics. Suzuki 125 zeus electrical wiring harness diagram schematic here. Kali ini kita akan berbagi catatan cara pengecekan pengapian di motor suzuki smash.


Belum ada Komentar untuk "Wiring Diagram Motor Suzuki"

Posting Komentar

Iklan Atas Artikel

Iklan Tengah Artikel 1

Iklan Tengah Artikel 2

Iklan Bawah Artikel