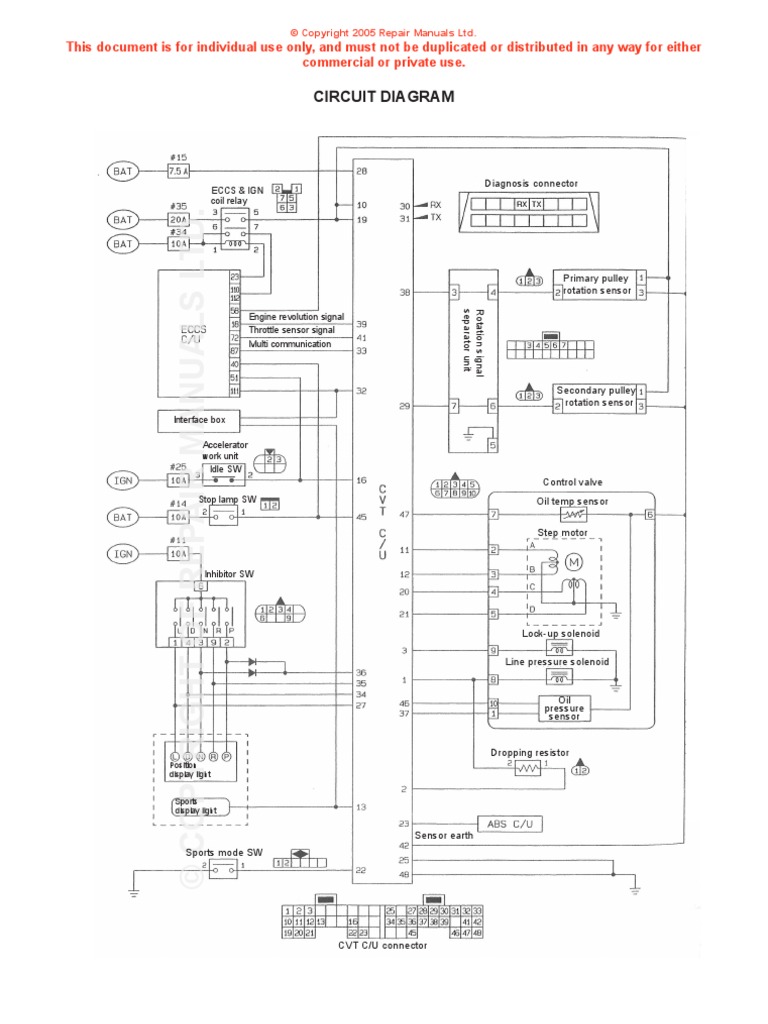
Wiring Diagram Nissan Almera

36+ Wiring Diagram Nissan Almera Gif. Nissan primera electrical wiring diagram manual 1990 2008. 70 regularsearch) ask for a document.

Fuse Box Diagram Nissan Almera II (N16; 2000-2006)
Fuse Box Diagram Nissan Almera II (N16; 2000-2006) from fuse-box.info
Электрооборудование автомобиля nissan almera 1. Electronics service manual exchange : Nissan almera wireing diagram for ecu (found:

Nissan almera wireing diagram for ecu (found:

Ford transit courier electrical wiring diagram 2020. Removal • installation of starter motor. Электрооборудование ниссан альмера класик, n16, n15 разбираем схему, фидео по ремонту и настройке. Электрооборудование автомобиля nissan almera 1.


Belum ada Komentar untuk "Wiring Diagram Nissan Almera"

Posting Komentar

Iklan Atas Artikel

Iklan Tengah Artikel 1

Iklan Tengah Artikel 2

Iklan Bawah Artikel